|
 |
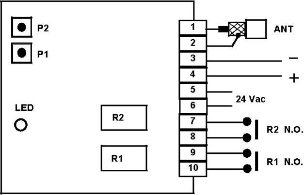
Sceda
radio ad innesto per centrali
Securvera Saimatic
CTR-17
o PM-800,
comando a relè, più un
relè uscita contatto 500 mA. a 24 V. per comandi esterni esempio
accendiluci. per il comando di automatismi per un cancelli ad ante battenti,
o scorrevoli, ad uno o due
motoriduttori. si inserisce nell'apposito connettore della centrale
che è sprovvista di scheda radio,
contiene il connettore per inserire la ricevente radio a 2 canali
SS-MRS, può funzionare sia con la
ricevente esterna SV-RX3, che
con il selettore a chiave SV-PLA e
simili. La centrale può essere programmata come:
apertura pedonale, cioè si apre solo un anta,
oppure condominiale cioè tutte e due le ante, può
funzionare passo passo, cioè primo comando apre,
secondo comando pausa (cioè fermo aperto), terzo
comando chiude, provvista di uscita 220 V. lampeggi
differenziati per segnalare i movimenti dell'automazione. Controllo separato
delle due fotocellule esterna fotostop. Fotocellula interna inverte la marcia.

|
Scarica e salva: il manuale
di installazione e di uso. Clicca sul simbolo Adobe PDF |
 |
|